0086 15335008985
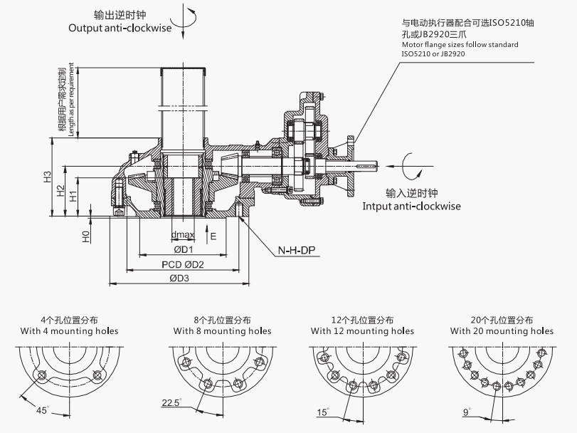
| PARA./MODEL | 기술 매개 변수 | 기본 부분 | 외부 부분 | ||||||||||||||||
| 평가 산출 nm | 비율 | 입력 nm | 엄마. ± 10% | optona 비율 범위 | 맥스 보어 디아. mm | 맥스. 추력 kn | 전기 액추에이터 연결 | 밸브 연결 ACC ISO5211 | D1 | P.C.D | D3 | H0 | H1 | H2 | H3 | ||||
| IS05210 | JB2920 | 표준 장착 | 선택 과목 설치 | D2 | N-H-DP | ||||||||||||||
| DAS-ZS10 | 220 | 2.5 : 1 | 105 | 2.1 | - | 22 | 75 | F10 | Z10 | F10 | - | 70 | 102 | 4-M10-15 | 125 | 2 | 47 | 70 | 104 |
| DAS-ZS20 | 350 | 3 : 1 | 140 | 2.5 | - | 28 | 113 | F10 | Z10 | F12 | F10 | 85 | 125 | 4-M12-18 | 150 | 3 | 49 | 70 | 113 |
| DAS-Z0 | 550 | 3 : 1 | 215 | 2.5 | - | 36 | 127 | F10-F14 | Z10-Z20-Z30 | F14 | F12 | 100 | 140 | 4-M16-24 | 175 | 3 | 58 | 78 | 124 |
| DAS-Z1 | 900 | 3.6 : 1 | 295 | 3 | - | 42 | 141 | F10-F14 | Z20-Z30 | F16 | F14 | 130 | 165 | 4-m20-30 | 210 | 3 | 69 | 85 | 133 |
| DAS-Z2 | 1400 | 4.1 : 1 | 405 | 3.5 | - | 50 | 190 | F10-F14 | Z30-Z45 | F20 | F14-F16-F25 | 140 | 205 | 8-M16-24 | 250 | 4 | 69 | 87 | 145 |
| DAS-Z2-1C* | 9.6 : 1 | 195 | 7.3 | 6.5 ~ 9.6 | F10-F14-F16 | Z20-Z30-Z45 | |||||||||||||
| DAS-Z2-1 | 13.3 : 1 | 150 | 9.6 | 8.5 ~ 18.4 | F10-F14 | Z10-Z20-Z30 | |||||||||||||
| DAS-Z3 | 2500 | 4.5 : 1 | 655 | 3.8 | - | 60 | 268 | F10-F14-F16 | Z30-Z45-Z60 | F25 | F16-F20 | 200 | 254 | 8-M16-24 | 300 | 4 | 82 | 95 | 159 |
| DAS-Z3-1C* | 10.5 : 1 | 315 | 8 | 72 ~ 10.5 | F10-F14-F16 | Z20-Z30-Z45-Z60 | |||||||||||||
| DAS-Z3-1 | 19.9 : 1 | 175 | 14.3 | 9.9-27 | F10-F14 | Z10-Z20-Z30 | |||||||||||||
| DAS-Z35 | 4000 | 5.2 : 1 | 905 | 4.4 | - | 70 | 308 | F14-F16-F25 | Z45-Z60-Z90 | F30 | F2 | 230 | 298 | 8-m20-30 | 350 | 4 | 103 | 133 | 208 |
| DAS-Z35-1C | 12.2 : 1 | 435 | 9.3 | 8.3 ~ 12.2 | F10-F14-F16 | Z30-Z45-Z60 | |||||||||||||
| DAS-Z35-1 | 23 : 1 | 245 | 16.5 | 11.5 ~ 31.3 | F10-F14 | Z10-Z20-Z30-Z45 | |||||||||||||
| DAS-Z4 | 5000 | 5.7 : 1 | 1030 | 4.8 | - | 80 | 402 | F14-F16-F25 | Z60-Z90-Z120 | F35 | F25-F30 | 260 | 356 | 8-M30-45 | 415 | 5 | 146 | 149 | 246 |
| DAS-Z4-1C* | 18.3 : 1 | 360 | 13.9 | 10.7 ~ 18.3 | F14-F16-F25 | Z30-Z45-Z60-Z90 | |||||||||||||
| DAS-Z4-1 | 38.5 : 1 | 180 | 27.7 | 20.3 ~ 51.3 | F10-F14-F16 | Z20-Z30-Z45 | |||||||||||||
| DAS-Z5 | 8000 | 6.3 : 1 | 1500 | 5.3 | - | 95 | 512 | F16-F25-F30 | Z90-Z120-Z180 | F35 | F25-F30 | 260 | 356 | 8-M30-45 | 415 | 5 | 159 | 172 | 1276 |
| DAS-Z5-1C* | 20.3 : 1 | 525 | 15.4 | 11.8 ~ 20.3 | F14-F16-F25 | Z45-Z60-Z90-Z120 | |||||||||||||
| DAS-Z5-1 | 42.8 : 1 | 260 | 30.8 | 22.4 ~ 56.7 | F10-F14-F16 | Z20-Z30-Z45-Z60 | |||||||||||||
| DAS-Z6 | 13000 | 6.3 : 1 | 2430 | 5.3 | - | 110 | 1110 | F16-F25-F30 | Z180-Z250 | F40 | F30-F35 | 300 | 406 | 8-M36-54 | 475 | 5 | 174 | 209 | 1348 |
| DAS-Z6-1C* | 20.3 : 1 | 850 | 15.4 | 11.8 ~ 20.3 | F14-F16-F25 | Z60-Z90-Z120-Z180 | |||||||||||||
| DAS-Z6-1 | 42.8 : 1 | 425 | 30.8 | 22.4 ~ 56.7 | F10-F14-F16 | Z20-Z30-Z45-Z60 | |||||||||||||
| DAS-Z7 | 20000 | 5.9 : 1 | 4000 | 5 | - | 120 | 1310 | F25-F30-F35 | Z250-Z350-Z500 | F48 | F40 | 370 | 483 | 12-M36-54 | 560 | 6 | 196 | 219 | 1346 |
| DAS-Z7-1C* | 19 : 1 | 1390 | 14.4 | 11 ~ 19 | F14-F16-F25 | Z90-Z120-Z180-Z250 | |||||||||||||
| DAS-Z7-1 | 94.4 : 1 | 295 | 67.9 | 36.9-94.4 | F14-F16 | Z30-Z45-Z60 | |||||||||||||
| DAS-Z8 | 30000 | 7 : 1 | 5050 | 5.9 | - | 140 | 2140 | F30-F35 | Z350-Z500 | F60 | F48 | 470 | 603 | 20-M36-54 | 70 | 6 | 217 | 237 | 382 |
| DAS-Z8-1C* | 31.9 : 1 | 1240 | 24.2 | 13.9-31.9 | F16-F25-F30 | Z120-Z180-Z250-Z350 | |||||||||||||
| DAS-Z8-1 | 112 : 1 | 375 | 80.6 | 43.8 ~ 112 | F14-F16 | Z30-Z45-Z60 | |||||||||||||
| DAS-Z9 | 50000 | 7 : 1 | 8500 | 5.9 | - | 180 | 4000 | F30-F35 | Z500-Z800-Z1000 | F60 | - | 470 | 603 | 20-M36-54 | 805 | 6 | 242 | 260 | 1445 |
| DAS-Z9-1C* | 31.9 : 1 | 2070 | 24.2 | 13.9 ~ 31.9 | F25-F30-F35 | Z180-Z250-Z350-Z500 | |||||||||||||
| DAS-Z9-1 | 143.5 : | 485 | 103.3 | 78.6 ~ 143.5 | F14-F16-F25 | Z45-Z60-Z90 | |||||||||||||
참고 :
"*"가있는 모델의 경우, 입력 회전 방향은 DAS-Z35-1C와 같은 출력 회전 방향과 반대되는데, 입력 회전이 시계 방향이면 출력 회전은 시계 방향으로 안티 시계 방향입니다.
단일 단계
b 이중 단계
C 이중 단계
제품 소개
BH-V 시리즈 (표준 유형), RK & 2CK 시리즈 (더 큰 밸브 스템 디아.), BA 시리즈 (국내 판매용), 7BH 시리즈 (비 스러스트) 및 RMMD 시리즈를 포함하여 5 개의 멀티 턴 기어 박스가 있습니다. (3 개의 입력). 신체의 선택적 재료는 연성 철, 탄소강 등 일 수 있습니다. F07에서 F60까지 LS05210에 따른 플랜지 장착 플랜지. 최대 50000nm의 장기 범위.
애플리케이션
캐스트 및 제조 된 슬루스 게이트, 게이트 밸브, 물, 석유, 가스, 화학, 전력 및 일반 산업 응용 분야에 적합한 기어 박스.
특성
수동 및 모터로드 애플리케이션에 맞게 설계된 제품. 또한 잠금 장치 및 체인 휠을 공급할 수 있습니다. LSO 5210 또는 JB2900에 따른 모터 플랜지;
표준 바디 재료는 연성 철과 탄소강입니다. 맞춤형 저온 강철 또는 스테인레스 스틸은 선택 사항입니다.
주변 온도 : -20 ~ 120 ℃이며 -30 ℃, -40 ℃, -59 ℃ 등과 같은 저온 환경에 대해서도 사용자 정의 할 수 있습니다.
표준 보호 등급은 LP65이고 LP67, LP68은 사용자 정의 할 수 있습니다.
모델 설명
BH-VSERIES
BH-V : BH-V0과 같은 단일 단계
BH-V-S : Double Stage, "S"는 BH-V35-1과 같은 축소 기어 코드입니다.
모델 번호는 전동 응용 프로그램이있는 기어 박스 용 "D"로 시작했습니다.
DBH-V0과 같은.
RK & 2CK 시리즈는 대형 밸브 스템에 적합합니다
RK & 2CK 번호 : RK05,2CK2 등의 단일 단계 등
2CK-S : Double Stage, "S"는 2CK3-1과 같은 감소 기어 코드입니다.
모델 번호는 전동 응용 프로그램이있는 기어 박스 용 "D"로 시작했습니다.
DRK05.D2CK3과 같은.
시리즈 기능
BH-V & MA 시리즈
까다로운 수동 및 전동 응용 프로그램을위한 다중 전환 베벨 기어 박스 Suitalbe의 전체 범위. 게이트 밸브, 글로브 밸브 및 Sluice Gates.etc에 널리 사용됩니다.
주요 재료는 주철, 연성 철 등, 옵션, 재료, 저온 강철, 염색 강철입니다.
토크 범위는 220nm ~ 50000nm (162 ~ 36900 lbf.ft)
추력 범위는 75kn ~ 4000kn입니다.
방수 등급 : LP65, LP67 및 LP68은 선택 사항입니다.
주변 온도 : -20'cto 120 'c, 그러나 -30'C, -40'C, -59'C 및 기타 저온은 선택 사항입니다.
Adonts는 Bearina,보다 유연한 전송, 더 높은 효율을 사용하여 Tooth Desian을 아크합니다.
RK & 2CK 시리즈
까다로운 수동 및 전동 응용 프로그램을위한 다중 전환 베벨 기어 박스 Suitalbe의 전체 범위. 게이트 밸브, 글로브 밸브 및 Sluice Gates.etc에 널리 사용됩니다.
드라이브 슬리브와 드라이브 덤불은 적분 유형이며 더 큰 밸브 스템 직경을 허용 할 수 있습니다.
주요 재료는 주철, 저온 강철 및 스테인레스 스틸입니다.
방수 등급 : LP65;
주변 온도 : -20'C ~ 120 C, 그러나 -30'C, -40'C, -59'C 및 기타 저온은 선택 사항입니다.
베어링,보다 유연한 변속기, 더 높은 효율을 사용하여 아크 치아 설계를 채택합니다.
7BH 시리즈
2 개의 모델을 포함하여 작업자에게 추력을 전송하지 않는 밸브에 적합한 조명 기드 기어 박스는 사용자에 따라 더 잘 일치하는 밸브에 따라 사용자 정의 할 수 있습니다.
주요 재료는 연성 철입니다.
방수 등급 : LP65, | P67 및 LP68은 선택 사항입니다.
방수 등급 : LP65;
주변 온도 : -20'C ~ 120 ° C
베어링,보다 유연한 변속기, 더 높은 효율을 사용하여 아크 치아 설계를 채택합니다.
RMMD 시리즈
구동 슬리브와 드라이브 덤불은 3 개의 입력을 갖춘 3 방향 유형 Bevel 기어 박스입니다. 구동 슬리브와 드라이브 부시는 적분하며 더 큰 밸브 스템 직경을 허용 할 수 있습니다. 까다로운 수동 및 전동 응용 프로그램에 적합합니다.
이 시리즈는 RK & 2CK 시리즈에서 변경되므로 RK & 2CK 시리즈와 함께 사용할 수 있습니다.
RMMD 시리즈 제품을 사용할 때는 3 개의 입력 회전 방향에주의하십시오.
주요 재료 : 주철; 저온 강철과 스테인레스 스틸은 선택 사항입니다.
방수 등급 : p65 :
주변 온도 : -20'C ~ 120 'c, 그러나 -30'C, -40'C, -59'C 및 기타 저온은 선택 사항입니다.
베어링,보다 유연한 전송, 더 높은 효율을 사용하여 Arc Tooth Desian을 채택합니다 .
















